液壓泵是將原動機的機械能轉換為液壓能的能量轉換元件,液壓泵作為液壓元件向液壓系統提供具有壓力和流量的流體,即液壓能。液壓泵包含齒輪泵、葉片泵、柱塞泵、螺桿泵。泵的基本參數是壓力、流量、轉速、效率。
CBB齒輪泵
型號說明:

CB-B齒輪泵外形圖
.jpg)
CB-B齒輪泵技術參數
.jpg)
HGP齒輪泵
HGP-1A 系列型號說明

HGP-1A 系列外形尺寸圖


HGP-1A 系列參數

HGP-2A 系列外形尺寸圖


HGP-2A 系列參數

HGP-3A 系列外形尺寸圖

HGP-3A 系列參數

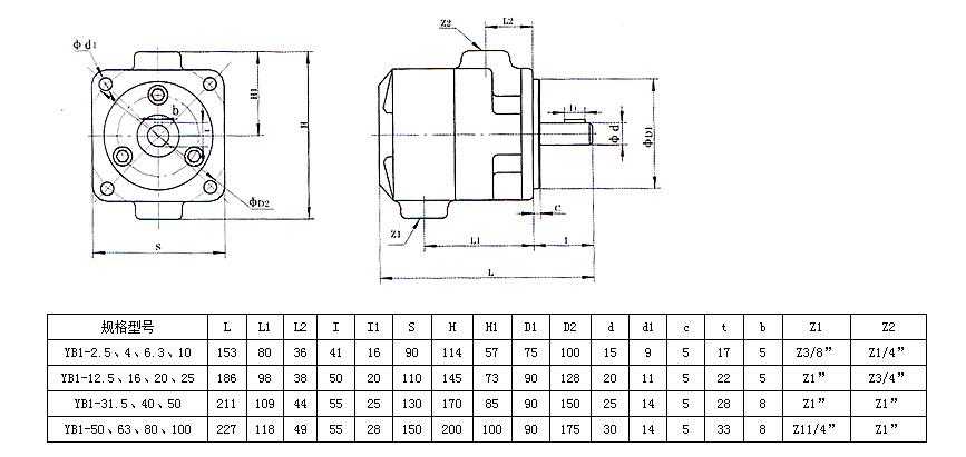
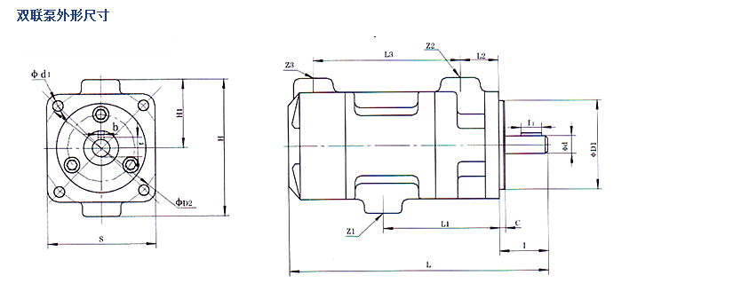
葉片泵 YB1

.jpg)
.png)
.jpg)
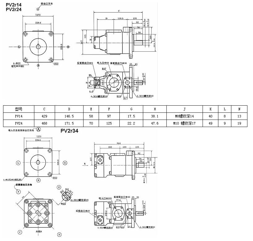
變量泵
尺寸圖:


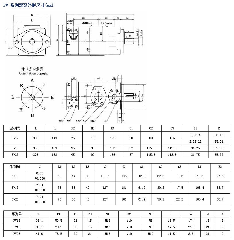
葉片泵 PV




HGP齒輪泵
HGP-1A 系列型號說明

HGP-1A 系列外形尺寸圖


HGP-1A 系列參數

HGP-2A 系列外形尺寸圖


HGP-2A 系列參數

HGP-3A 系列外形尺寸圖

HGP-3A 系列參數

MCY柱塞泵
型號說明:
.png)
結構剖視

工作原理

系列規格
.png)
YCY柱塞泵
型號說明
(1).png)
結構剖視

工作原理

.png)
系列規格
(1).png)
軸向柱塞泵
型號說明:

結構剖視

定量機構中斜盤始終固定在定量端蓋上,不能改變柱塞的行程,所以其流量是固定的。
工作原理
軸向柱塞泵是采用配油盤配油,缸體旋轉,靠變量頭變量的斜盤式軸向柱塞泵。該泵采用液壓靜力平衡的最佳油膜厚度設計,使缸體與配油盤、滑靴與變量頭之間處于純液體摩擦下運轉,具有結構簡單、體積小、噪音低、效率高、壽命長和有自吸能力等優點。
CY14-1B系列泵是采用缸體旋轉,靠變量頭(斜盤)變量的軸向柱塞泵。由于滑靴和變量頭之間、配油盤和缸體之間采用了液壓靜力平衡的最佳油膜厚度設計,使上述兩對運動面之間處在純液體磨擦下運轉,并省去了重型推力軸承,因而與其它類型的泵相比,具有結構簡單、體積小、效率高、重量輕、噪音低、壽命長、自吸能力強等優點,它適用于鍛壓機械、機床、船舶、航空、冶金機械、塑料機械、工程機械和礦山機械等液壓設備。
系列規格


